MATERIALS LIST
|
Item |
Part Name |
Materials |
|
1 |
Body |
Cast Iron: ASTM A126CL. B ,Ductile Cast Iron: ASTM A536 65-45-12, |
|
2 |
Upper Stem |
Zinc Plated Steel; Stainless Steel: ASTM A276 Type 316, Type 410, Type 420; ASTM A582 Type 416; |
|
3 |
Seat |
NBR, EPDM, Neoprene, PTFE, Viton; |
|
4 |
Spring Pin |
Carbon Steel; Stainless Steel |
|
5 |
Lower Stem |
Zinc Plated Steel; Stainless Steel: ASTM A276 Type 316, Type 410, Type 420; ASTM A582 Type 416; |
|
6 |
Disc |
Ductile Cast Iron(Nickel plated or Nylon coated): ASTM A536 65-45-12, Stainless Steel: ASTM A351 CF8, CF8M; CF3, CF3M; EN 1.4408, 1.4469; 1.4501; AL-Bronze: ASTM B148 C95400; |
|
7 |
O-Ring |
NBR, EPDM, Neoprene, Viton; |
|
8 |
Bushing |
PTFE, Nylon, Lubricated Bronze; |

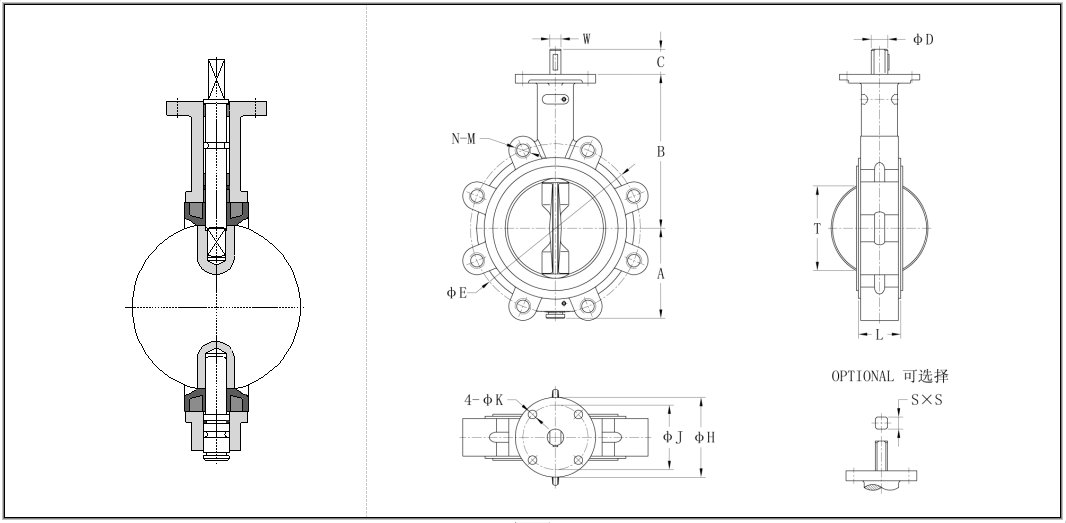
DIMENSIONS LIST
DIMENSIONS LIST (INCH)
|
Size |
A |
B |
C |
D |
E |
M |
H |
J |
K |
L |
T |
S |
W |
|
2 |
27/8 |
55/8 |
11/4 |
1/2 |
43/4 |
5/8-11 |
4 |
31/4 |
7/16 |
121/32 |
11/4 |
5/8 |
3/8 |
|
21/2 |
37/64 |
61/8 |
11/4 |
1/2 |
51/2 |
5/8-11 |
4 |
31/4 |
7/16 |
13/4 |
155/64 |
5/8 |
3/8 |
|
3 |
311/32 |
63/8 |
11/4 |
1/2 |
6 |
5/8-11 |
4 |
31/4 |
7/16 |
125/32 |
29/16 |
5/8 |
3/8 |
|
4 |
43/64 |
71/8 |
11/4 |
5/8 |
71/2 |
5/8-11 |
4 |
31/4 |
7/16 |
23/64 |
335/64 |
5/8 |
7/16 |
|
5 |
417/32 |
73/4 |
11/4 |
3/4 |
81/2 |
3/4-10 |
4 |
31/4 |
7/16 |
21/8 |
43/8 |
5/8 |
1/2 |
|
6 |
55/32 |
81/4 |
11/4 |
3/4 |
91/2 |
3/4-10 |
4 |
31/4 |
7/16 |
23/16 |
545/64 |
5/8 |
1/2 |
|
8 |
619/64 |
97/16 |
11/2 |
7/8 |
113/4 |
3/4-10 |
6 |
5 |
9/16 |
23/8 |
719/32 |
7/8 |
5/8 |
|
10 |
731/64 |
111/4 |
11/2 |
11/8 |
141/4 |
7/8-9 |
6 |
5 |
9/16 |
237/64 |
931/64 |
7/8 |
5/8 |
|
12 |
917/32 |
123/16 |
11/2 |
11/4 |
17 |
7/8-9 |
6 |
5 |
9/16 |
31/32 |
111/2 |
11/8 |
3/4 |
DIMENSIONS LIST (MM)
|
Size |
A |
B |
C |
D |
E |
M |
H |
J |
K |
L |
T |
S |
W |
|
50 |
73 |
143 |
32 |
12.7 |
120.7 |
5/8-11 |
101.6 |
82.6 |
11.1 |
42 |
32 |
15.9 |
9.5 |
|
65 |
79 |
156 |
32 |
12.7 |
139.7 |
5/8-11 |
101.6 |
82.6 |
11.1 |
45 |
47 |
15.9 |
9.5 |
|
80 |
85 |
162 |
32 |
12.7 |
152.4 |
5/8-11 |
101.6 |
82.6 |
11.1 |
45 |
65 |
15.9 |
9.5 |
|
100 |
103 |
181 |
32 |
15.9 |
190.5 |
5/8-11 |
101.6 |
82.6 |
11.1 |
52 |
90 |
15.9 |
11.1 |
|
125 |
115 |
197 |
32 |
19.1 |
215.9 |
3/4-10 |
101.6 |
82.6 |
11.1 |
54 |
111 |
15.9 |
12.7 |
|
150 |
131 |
210 |
32 |
19.1 |
241.3 |
3/4-10 |
101.6 |
82.6 |
11.1 |
56 |
145 |
15.9 |
12.7 |
|
200 |
160 |
240 |
38 |
22.2 |
298.5 |
3/4-10 |
152.4 |
127 |
14.3 |
60 |
193 |
22.2 |
15.9 |
|
250 |
190 |
286 |
38 |
28.6 |
362 |
7/8-9 |
152.4 |
127 |
14.3 |
66 |
241 |
22.2 |
15.9 |
|
300 |
242 |
310 |
38 |
31.8 |
431.8 |
7/8-9 |
152.4 |
127 |
14.3 |
77 |
292 |
28.6 |
19.1 |
Product Description
1.5 butterfly valve
1.5 tri clamp butterfly valve
butterfly valve 1 1 2 inch
butterfly valve 1.5 inch
butterfly valve 2 1 2 inch
butterfly valve 2.5 inch




