MATERIALS LIST
|
Item |
Part Name |
Materials |
|
1 |
Body |
Cast Iron: ASTM A126CL. B ,Ductile Cast Iron: ASTM A536 65-45-12, |
|
2 |
Upper Stem |
Zinc Plated Steel; Stainless Steel: ASTM A276 Type 316, Type 410, Type 420; ASTM A582 Type 416; |
|
3 |
Seat |
NBR, EPDM, Neoprene, PTFE, Viton; |
|
4 |
Spring Pin |
Carbon Steel; Stainless Steel |
|
5 |
Lower Stem |
Zinc Plated Steel; Stainless Steel: ASTM A276 Type 316, Type 410, Type 420; ASTM A582 Type 416; |
|
6 |
Disc |
Ductile Cast Iron(Nickel plated or Nylon coated): ASTM A536 65-45-12, Stainless Steel: ASTM A351 CF8, CF8M; CF3, CF3M; EN 1.4408, 1.4469; 1.4501; AL-Bronze: ASTM B148 C95400; |
|
7 |
O-Ring |
NBR, EPDM, Neoprene, Viton; |
|
8 |
Bushing |
PTFE, Nylon, Lubricated Bronze; |

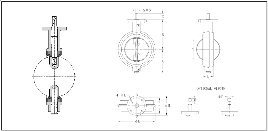
DIMENSIONS LIST
DIMENSIONS LIST (INCH)
|
Size |
A |
B |
C |
D |
E |
H |
J |
K |
L |
S |
T |
W |
|
2 |
3 |
315/16 |
11/32 |
1/2 |
41/8 |
4 |
31/4 |
7/16 |
121/32 |
5/8 |
11/4 |
3/8 |
|
21/2 |
311/32 |
419/32 |
11/32 |
1/2 |
4 7/8 |
4 |
31/4 |
7/16 |
13/4 |
5/8 |
155/64 |
3/8 |
|
3 |
321/32 |
429/32 |
11/32 |
1/2 |
53/8 |
4 |
31/4 |
7/16 |
125/32 |
5/8 |
29/16 |
3/8 |
|
4 |
49/32 |
6 |
19/32 |
5/8 |
67/8 |
4 |
31/4 |
7/16 |
23/64 |
5/8 |
335/64 |
7/16 |
|
5 |
427/32 |
61/8 |
19/32 |
3/4 |
73/4 |
4 |
31/4 |
7/16 |
21/8 |
5/8 |
43/8 |
1/2 |
|
6 |
511/32 |
611/16 |
19/32 |
3/4 |
83/4 |
4 |
31/4 |
7/16 |
23/16 |
5/8 |
545/64 |
1/2 |
|
8 |
617/32 |
97/16 |
19/32 |
7/8 |
11 |
6 |
5 |
9/16 |
23/8 |
7/8 |
719/32 |
5/8 |
|
10 |
727/32 |
117/32 |
19/32 |
11/8 |
133/8 |
6 |
5 |
9/16 |
237/64 |
7/8 |
931/64 |
5/8 |
|
12 |
93/8 |
1113/16 |
19/32 |
11/4 |
161/8 |
6 |
5 |
9/16 |
31/32 |
11/8 |
111/2 |
3/4 |
DIMENSIONS LIST (MM)
|
Size |
A |
B |
C |
D |
E |
H |
J |
K |
L |
S |
T |
W |
|
50 |
76 |
100 |
26.2 |
12.7 |
104.8 |
101.6 |
82.6 |
11.1 |
42 |
15.9 |
32 |
9.5 |
|
65 |
85 |
117 |
26.2 |
12.7 |
123.9 |
101.6 |
82.6 |
11.1 |
45 |
15.9 |
47 |
9.5 |
|
80 |
93 |
125 |
26.2 |
12.7 |
136.5 |
101.6 |
82.6 |
11.1 |
45 |
15.9 |
65 |
9.5 |
|
100 |
109 |
152 |
32.5 |
15.9 |
174.6 |
101.6 |
82.6 |
11.1 |
52 |
15.9 |
90 |
11.1 |
|
125 |
123 |
156 |
32.5 |
19.1 |
196.9 |
101.6 |
82.6 |
11.1 |
54 |
15.9 |
111 |
12.7 |
|
150 |
136 |
170 |
32.5 |
19.1 |
222.3 |
101.6 |
82.6 |
11.1 |
56 |
15.9 |
145 |
12.7 |
|
200 |
166 |
240 |
32.5 |
22.2 |
279.4 |
152.4 |
127 |
14.3 |
60 |
22.2 |
193 |
15.9 |
|
250 |
199 |
285 |
32.5 |
28.6 |
339.7 |
152.4 |
127 |
14.3 |
66 |
22.2 |
241 |
15.9 |
|
300 |
238 |
300 |
32.5 |
31.8 |
409.6 |
152.4 |
127 |
14.3 |
77 |
28.6 |
292 |
19.1 |
factory show
aluminium bronze butterfly valve
ductile iron butterfly valve
ptfe seated butterfly valve
red butterfly valve
stainless butterfly valve
stainless steel butterfly valve




