• Home
  • Products
  • Cost-benefit Analysis of Wafer Valves

Aug . 18, 2025 10:13 Back to list

Cost-benefit Analysis of Wafer Valves



In the intricate world of industrial fluid systems, selecting the right valve technology is a critical decision impacting operational efficiency, maintenance budgets, and long-term project viability. Among the diverse valve types available, wafer valves, particularly the wafer type butterfly valve, have gained significant traction due to their inherent design advantages. For global manufacturers and suppliers like Ningjin Hongda Valve Co., Ltd., understanding and articulating the comprehensive cost-benefit profile of these valves is essential. As a professional valve supplier integrating design, research, production, manufacturing, sales, and service, Ningjin Hongda leverages specialized casting, machining, and assembly lines, alongside a dedicated technical team, to produce high-quality valves. Their extensive range, including elastic soft-sealed butterfly valves and check valves, alongside premium gray cast iron and ductile iron castings, serves critical sectors like water supply, drainage, wastewater treatment, power generation, petrochemicals, pipelines, and shipbuilding, with a strong global footprint, particularly in European and American markets.

 

Cost-benefit Analysis of Wafer Valves

 

The appeal of wafer valves, especially the butterfly variant, lies in a compelling combination of performance, cost-effectiveness, and ease of integration. This analysis delves into the tangible benefits these valves offer, underpinned by the manufacturing excellence of companies like Ningjin Hongda.

 

Operational Efficiency of Valve Butterfly Wafer Designs 

 

The fundamental design of a valve butterfly wafer unit contributes directly to operational cost savings. Its compact, lightweight nature compared to equivalent gate or globe valves offers several advantages:

  • Reduced Material Costs:The wafer design requires significantly less metal. For large-scale projects requiring hundreds or thousands of valves – a standard scenario for suppliers like Ningjin Hongda – this translates into substantial savings on raw materials like ductile iron or gray cast iron, without compromising pressure rating or integrity when manufactured to standards like API 609 or BS5155.
  • Lower Actuation Costs:The lightweight disc requires less torque to operate. This allows for smaller, less expensive actuators (electric, pneumatic, or hydraulic), reducing both the initial purchase price and the ongoing energy consumption required for valve cycling. This is crucial in energy-intensive industries.
  • Enhanced Flow Characteristics:Modern elastic soft-sealed designs in wafer type butterfly valves, such as those produced by Ningjin Hongda, offer excellent flow characteristics with minimal pressure drop. This reduces the energy required to pump fluids through the system over its lifetime, leading to significant operational cost reductions.
  • Quick Operation:The quarter-turn operation of butterfly valves enables rapid opening and closing, improving process control responsiveness and safety in critical situations.

Ningjin Hongda's capabilities in precision casting and machining ensure that these inherent design efficiencies are fully realized in their products, meeting international standards consistently.

 

Installation and Maintenance Benefits of Wafer Valve Systems 

 

Beyond operational efficiency, wafer valve systems offer distinct advantages during installation and throughout their service life, further enhancing their cost-benefit ratio:

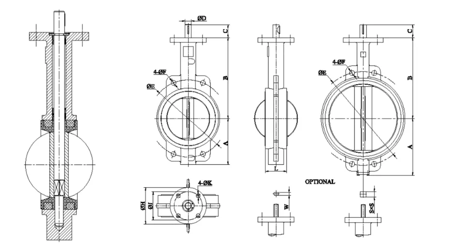
  • Simplified Installation & Space Savings:The wafer design is installed by clamping it directly between two pipeline flanges (compatible with GB, ANSI, DIN, BS, JIS standards). This eliminates the need for threaded ends or dedicated flange connections on the valve body, drastically reducing installation time, labor costs, and the required space envelope. This compactness is invaluable in congested plant layouts or retrofit projects.
  • Reduced Inventory Complexity:For maintenance departments, standardizing on wafer type butterfly valves across common sizes (e.g., 1½″ to 24″) simplifies spare parts inventory. One valve type can often replace the need for multiple gate or globe valve types and sizes.
  • Easier Maintenance:Designs like the Series F170 butterfly valve, compliant with MSS SP-67, BS5155, and API 609, often feature replaceable elastic soft-sealed seats and simple disc removal. This allows for in-line maintenance or seat replacement without removing the entire valve body from the pipeline in many cases, minimizing downtime and associated costs. The availability in both wafer type and lug type body offers flexibility based on specific installation requirements.
  • Durability and Longevity:Utilizing high-quality materials like ductile iron and advanced casting techniques, coupled with robust sealing technologies, ensures a long service life for wafer valves, reducing the frequency and cost of replacements. Their suitability for demanding applications like water treatment, petrochemicals, and power stations is a testament to their durability.

Ningjin Hongda's integrated approach, from design and casting to machining and assembly, ensures valves are built for reliable, long-term performance with minimal maintenance intervention, directly benefiting the end-user's total cost of ownership.

 

FAQs about Wafer Type Butterfly Valve

 

What are the primary advantages of choosing a wafer type butterfly valve over other styles?


The wafer type butterfly valve excels in cost-effectiveness due to lower material/weight, simpler/cheaper installation between flanges, minimal space requirements, lower actuation costs, good flow efficiency, and relatively easy maintenance for quarter-turn valves, making it ideal for large-bore, moderate-pressure applications.

 

How does the wafer type butterfly valve achieve sealing, and is it suitable for high pressure?


Modern wafer type butterfly valves typically use an elastic soft-sealed design, where a resilient seat (like EPDM or NBR) provides a bubble-tight seal against the disc edge. While offering excellent sealing for many applications (water, wastewater, HVAC, moderate chemical service), they are generally suited for low to moderate pressure classes. High-pressure applications often require different valve types or specialized designs.

 

Are valve butterfly wafers bidirectional?


Most standard elastic soft-sealed wafer type butterfly valves are designed to be bidirectional. The resilient seat allows sealing against flow from either direction. However, specific designs or applications might warrant confirmation; consulting the manufacturer's specifications for models like the Series F170 is always recommended.

 

What flange standards are compatible with standard wafer valves?


Reputable manufacturers like Ningjin Hongda design their wafer valves to be compatible with major international flange standards, including GB, ANSI, DIN, BS, and JIS. The valve profile fits between standard raised face flanges of the corresponding pressure rating and size (1½″ to 24″), ensuring broad interoperability.

 

Can wafer valves be used as isolation valves in critical systems?


Yes, wafer type butterfly valves with elastic soft-seals meeting relevant standards (MSS SP-67, BS5155, API 609) are widely accepted and reliable isolation valves in numerous critical systems, including water supply, drainage, wastewater treatment plants, power station cooling circuits, and specific petrochemical processes. Their reliability stems from proven design and quality manufacturing.

 

The cost-benefit analysis of wafer valves, particularly the wafer type butterfly valve, reveals a compelling case for their widespread adoption in industrial flow control. The synergy of lower initial costs (material, actuation), reduced installation expenses (labor, space), and minimized lifetime maintenance requirements creates a significantly favorable total cost of ownership profile compared to many alternative valve types. For manufacturers like Ningjin Hongda Valve Co., Ltd., whose expertise spans design, casting, machining, assembly, and global service, producing high-volume, high-quality valves compliant with API 609, MSS SP-67, and BS5155 across sizes 1½″ to 24″ in both wafer and lug configurations, the wafer butterfly valve represents a core product delivering tangible economic value. By leveraging advanced elastic soft-sealed technology and robust materials like ductile iron and gray cast iron, these valves meet the demanding needs of water, wastewater, power, petrochemical, and pipeline applications efficiently and reliably. When selecting valves for large-scale industrial projects, the wafer butterfly valve consistently proves to be a strategically sound investment balancing performance, reliability, and cost.


If you are interested in our products, you can choose to leave your information here, and we will be in touch with you shortly.