Danasîna hilberê
Available with handles (1½″ to 12″), manual gear operators (1½″ to 48″), and electric or pneumatic actuators (1½″ to 48″). With many body/trim combinations, there is a series F101 butterfly valve to meet your application.

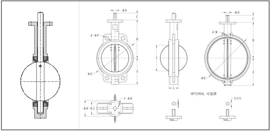
LÎSTEYA DIMENSIONS
|
Mezinayî |
A |
B |
C |
D |
E |
F/M |
H |
J |
I- K |
L |
T |
S |
W |
|||||||
|
mm |
inch |
ANSI 125/150 |
PN10 |
PN16 |
10K |
ANSI 125/150 |
PN10 |
PN16 |
10K |
|||||||||||
|
40 |
1½ |
70 |
145 |
32 |
12.7 |
98.4 |
110 |
110 |
105 |
16 |
18 |
18 |
19 |
65 |
50 |
4-7 |
33 |
27 |
9 |
10 |
|
50 |
2 |
76 |
162 |
32 |
12.7 |
120.7 |
125 |
125 |
120 |
19 |
18 |
18 |
19 |
65 |
50 |
4-7 |
42 |
32 |
9 |
10 |
|
65 |
2½ |
89 |
174 |
32 |
12.7 |
139.7 |
145 |
145 |
140 |
19 |
18 |
18 |
19 |
65 |
50 |
4-7 |
45 |
47 |
9 |
10 |
|
80 |
3 |
95 |
181 |
32 |
12.7 |
152.4 |
160 |
160 |
150 |
19 |
18 |
18 |
19 |
65 |
50 |
4-7 |
45 |
65 |
9 |
10 |
|
100 |
4 |
114 |
200 |
32 |
15.9 |
190.5 |
180 |
180 |
175 |
19 |
18 |
18 |
19 |
90 |
70 |
4-9.5 |
52 |
90 |
11 |
12 |
|
125 |
5 |
127 |
213 |
32 |
19.1 |
215.9 |
210 |
210 |
210 |
22 |
18 |
18 |
23 |
90 |
70 |
4-9.5 |
54 |
111 |
14 |
14 |
|
150 |
6 |
139 |
225 |
32 |
19.1 |
241.3 |
240 |
240 |
240 |
22 |
22 |
22 |
23 |
90 |
70 |
4-9.5 |
56 |
145 |
14 |
14 |
|
200 |
8 |
177 |
260 |
38 |
22.2 |
298.5 |
295 |
295 |
290 |
22 |
22 |
22 |
23 |
125 |
102 |
4-11.5 |
60 |
193 |
17 |
17 |
|
250 |
10 |
203 |
292 |
38 |
28.6 |
362 |
350 |
355 |
355 |
25 |
22 |
26 |
25 |
125 |
102 |
4-11.5 |
66 |
241 |
22 |
22 |
|
300 |
12 |
242 |
337 |
38 |
31.8 |
431.8 |
400 |
410 |
400 |
25 |
22 |
26 |
25 |
125 |
102 |
4-11.5 |
77 |
292 |
22 |
24 |
|
350 |
14 |
277 |
368 |
45 |
31.8 |
476.3 |
460 |
470 |
445 |
29 |
22 |
26 |
25 |
125 |
102 |
4-11.5 |
77 |
325 |
22 |
24 |
|
400 |
16 |
308 |
400 |
51 |
33.3 |
539.8 |
515 |
525 |
510 |
29 |
26 |
30 |
27 |
210 |
165 |
4-22 |
86 |
380 |
27 |
27 |
|
450 |
18 |
342 |
422 |
51 |
38.1 |
577.9 |
565 |
585 |
565 |
32 |
26 |
30 |
27 |
210 |
165 |
4-22 |
105 |
428 |
27 |
27 |
|
500 |
20 |
374 |
479 |
64 |
41.3 |
635 |
620 |
650 |
620 |
32 |
26 |
33 |
27 |
210 |
165 |
4-22 |
130 |
474 |
27 |
32 |
|
600 |
24 |
459 |
562 |
70 |
50.8 |
749.3 |
725 |
770 |
730 |
35 |
30 |
36 |
33 |
210 |
165 |
4-22 |
152 |
575 |
36 |
36 |
|
700 |
28 |
520 |
624 |
72 |
55 |
863.6 |
840 |
840 |
840 |
1¼″-7 |
30 |
36 |
33 |
300 |
254 |
8-18 |
165 |
674 |
— |
— |
|
750 |
30 |
545 |
650 |
72 |
55 |
914.4 |
900 |
900 |
900 |
1¼″-7 |
33 |
36 |
33 |
300 |
254 |
8-18 |
167 |
726 |
— |
— |
|
800 |
32 |
575 |
672 |
72 |
55 |
977.9 |
950 |
950 |
950 |
1½″-6 |
33 |
39 |
M30 |
300 |
254 |
8-18 |
190 |
771 |
— |
— |
|
900 |
36 |
635 |
768 |
77 |
75 |
1085.9 |
1050 |
1050 |
1050 |
1½″-6 |
M30 |
M36 |
M30 |
300 |
254 |
8-18 |
207 |
839 |
— |
— |
|
1000 |
40 |
685 |
823 |
85 |
85 |
1200.2 |
1160 |
1170 |
1160 |
1½″-6 |
M33 |
M39 |
M36 |
300 |
254 |
8-18 |
216 |
939 |
— |
— |
|
1050 |
42 |
765 |
860 |
85 |
85 |
1257.3 |
— |
— |
— |
1½″-6 |
— |
— |
— |
300 |
254 |
8-18 |
254 |
997 |
— |
— |
|
1100 |
44 |
765 |
860 |
85 |
85 |
1314.5 |
1270 |
1270 |
1270 |
1½″-6 |
M33 |
M39 |
M36 |
300 |
254 |
8-18 |
254 |
997 |
— |
— |
|
1200 |
48 |
839 |
940 |
150 |
92 |
1422.4 |
1380 |
1390 |
1380 |
1½″-6 |
M36 |
M45 |
M36 |
350 |
298 |
8-22 |
276 |
1125 |
— |
— |
Introducing our high-performance wafer type butterfly valve, designed to provide reliable and efficient control in various applications. This versatile valve is outfitted with a precision-engineered disc that ensures a tight seal and smooth operation, making it an ideal choice for regulating flow in pipelines across industries.
Crafted from premium quality materials, our wafer type butterfly valve is engineered to withstand heavy-duty usage and harsh environmental conditions. The valve features a wafer-style body with grooved edges that allow for easy installation between flanges, saving time and effort during setup. The compact and lightweight design also makes it a cost-effective solution, without compromising on durability and performance.
With a bi-directional shut-off capability, this butterfly valve is suitable for both on-off and throttling applications, offering versatile control for a wide range of fluid and gas media. The low torque operation and quick opening/closing mechanism further enhance the efficiency and responsiveness of the valve, ensuring smooth flow control with minimal power input.
Equipped with a high-strength disc and a resilient seat, our wafer type butterfly valve delivers dependable sealing performance, preventing leakages and ensuring long-term reliability. The valve is also available in a variety of materials, such as stainless steel, carbon steel, and PVC, to accommodate specific operational requirements and corrosive environments.
Our wafer type butterfly valve complies with international quality standards and undergoes rigorous testing to guarantee consistent and superior performance. Whether used in chemical processing plants, water treatment facilities, HVAC systems, or general industrial applications, this valve is a dependable solution for precise flow regulation.
In conclusion, our wafer type butterfly valve is a high-quality, versatile, and cost-effective control solution that meets the demands of modern industrial processes. Trust in its robust construction, efficient operation, and reliable sealing to optimize your flow control systems.
LÎSTEYA MATERIALE
|
Şanî |
Navê Part |
Materials |
|
1 |
Beden |
Cast Iron: ASTM A126CL. B , DIN1691 GG25, EN 1561 EN-GJL-200; GB12226 HT200; Castil Iron: ASTM A536 65-45-12, DIN 1693 GGG40, EN1563 EN-GJS-400-15, GB12227 QT450-10; Stainless Steel: ASTM A351 CF8, CF8M; CF3, CF3M; Karbon Steel: ASTM A216 WCB |
|
2 |
Qam |
Zinc Plated Steel; Stainless Steel: ASTM A276 Type 316, Type 410, Type 420; ASTM A582 Type 416; |
|
3 |
Taper Pin |
Stainless Steel: ASTM A276 Type 304, Type 316; EN 1.4501; |
|
4 |
Rûniştek |
NBR, EPDM, Neoprene, PTFE, Viton; |
|
5 |
Disc |
Ductile Cast Iron (Nickel plated): ASTM A536 65-45-12, DIN 1693 GGG40, EN1563 EN-GJS-400-15, GB12227 QT450-10; Tev stîl: ASTM A351 CF8, CF8M; CF3, CF3M; EN 1.4408, 1.4469; 1.4501; AL-Tûnc: ASTM B148 C95400; |
|
6 |
O-Ring |
NBR, EPDM, Neoprene, Viton; |
|
7 |
Bushing |
PTFE, Naylon, Bronzê lubricated; |
|
8 |
Qûfle |
Karbon Steel |
Ev kiryar dikare li gorî navnîşa materyalê materyalê hilbijêre. Dibe ku xerîdar materyal û germahiya hatî bikar anîn nîşan bide, dibe ku pargîdaniya me li şûna wê hilbijêrin. Gava ku navîn û germahî taybetî ye, ji kerema xwe bi pargîdaniya me re şêwir bikin.
SEAT Germahiya RATINGS
|
Mal |
NBR |
Neoprene |
EPDM |
Hypalon |
Viton |
PTFE |
|
|
Nirxên Germahiya |
℃ |
-20~100 |
-40~100 |
-40~120 |
-32~135 |
-12~230 |
-50~200 |
|
℉ |
-4~212 |
-40~212 |
-40~248 |
-25.6~275 |
10.4~446 |
-58~392 |
|
Materyalên kursiyê dikarin bêyî zirarê li germahiyên kêmtir bisekinin. Lêbelê, elastomer hişk dibe û torque zêde dibe. Dibe ku hin medyaya herikînê bêtir sînorên germahiya hatî weşandin sînordar bikin an jî jiyana rûniştinê bi girîngî kêm bikin.
nîşana kargehê
butterfly valve rubber
cast steel butterfly valve
polypropylene butterfly valve
pp butterfly valve
pph butterfly valve
ptfe lined butterfly valve




