LÎSTEYA MATERIALE
|
Şanî |
Navê Part |
Materials |
|
1 |
Beden |
Cast Iron: ASTM A126CL. B , DIN1691 GG25, EN 1561 EN-GJL-200; GB12226 HT200; Castil Iron: ASTM A536 65-45-12, DIN 1693 GGG40, EN1563 EN-GJS-400-15, GB12227 QT450-10; Stainless Steel: ASTM A351 CF8, CF8M; CF3, CF3M; Karbon Steel: ASTM A216 WCB |
|
2 |
Qam |
Zinc Plated Steel; Stainless Steel: ASTM A276 Type 316, Type 410, Type 420; ASTM A582 Type 416; |
|
3 |
Thrust Washer |
Karbon pola |
|
4 |
Badan |
Carbon steel; Stainless Steel |
|
5 |
Rûniştek |
NBR, EPDM, Neoprene, PTFE, Viton; |
|
6 |
Disc |
Ductile Cast Iron (Nickel plated): ASTM A536 65-45-12, DIN 1693 GGG40, EN1563 EN-GJS-400-15, GB12227 QT450-10; Tev stîl: ASTM A351 CF8, CF8M; CF3, CF3M; EN 1.4408, 1.4469; 1.4501; AL-Tûnc: ASTM B148 C95400; |
|
7 |
O-Ring |
NBR, EPDM, Neoprene, Viton; |
|
8 |
Bushing |
PTFE, Naylon, Bronzê lubricated; |
Ev kiryar dikare li gorî navnîşa materyalê materyalê hilbijêre. Dibe ku xerîdar materyal û germahiya hatî bikar anîn nîşan bide, dibe ku pargîdaniya me li şûna wê hilbijêrin. Gava ku navîn û germahî taybetî ye, ji kerema xwe bi pargîdaniya me re şêwir bikin.

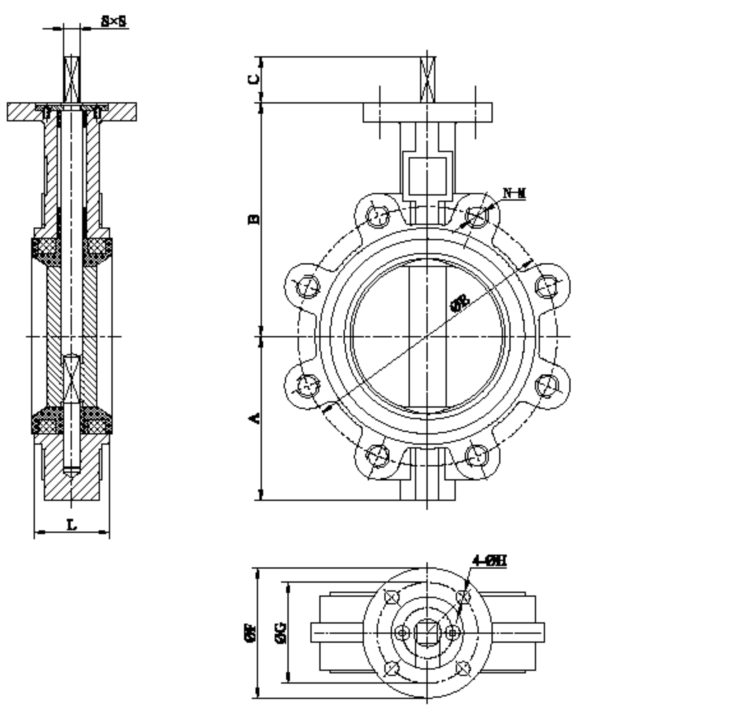
LÎSTEYA DIMENSIONS
|
Mezinayî |
A |
B |
C |
E |
NM |
F |
G |
H |
L |
S |
|||||||
|
mm |
inch |
ANSI 125/150 |
PN10 |
PN16 |
10K |
ANSI 125/150 |
PN10 |
PN16 |
10K |
||||||||
|
40 |
1½ |
70 |
145 |
32 |
98.4 |
110 |
110 |
105 |
4--½″-12 |
4-M16 |
4-M16 |
4-M16 |
65 |
50 |
4-7 |
33 |
9 |
|
50 |
2 |
76 |
162 |
32 |
120.7 |
125 |
125 |
120 |
4-⅝″-11 |
4-M16 |
4-M16 |
4-M16 |
65 |
50 |
4-7 |
42 |
9 |
|
65 |
2½ |
89 |
174 |
32 |
139.7 |
145 |
145 |
140 |
4-⅝″-11 |
4-M16 |
4-M16 |
4-M16 |
65 |
50 |
4-7 |
45 |
9 |
|
80 |
3 |
95 |
181 |
32 |
152.4 |
160 |
160 |
150 |
4-⅝″-11 |
4-M16 |
8-M16 |
8-M16 |
65 |
50 |
4-7 |
45 |
9 |
|
100 |
4 |
114 |
200 |
32 |
190.5 |
180 |
180 |
175 |
8--⅝″-11 |
8-M16 |
8-M16 |
8-M16 |
90 |
70 |
4-9.5 |
52 |
11 |
|
125 |
5 |
127 |
213 |
32 |
215.9 |
210 |
210 |
210 |
8-¾″-10 |
8-M16 |
8-M16 |
8-M20 |
90 |
70 |
4-9.5 |
54 |
14 |
|
150 |
6 |
139 |
225 |
32 |
241.3 |
240 |
240 |
240 |
8-¾″-10 |
8-M20 |
8-M20 |
8-M20 |
90 |
70 |
4-9.5 |
56 |
14 |
|
200 |
8 |
177 |
260 |
38 |
298.5 |
295 |
295 |
290 |
8-¾″-10 |
8-M20 |
12-M20 |
12-M20 |
125 |
102 |
4-11.5 |
60 |
17 |
|
250 |
10 |
203 |
292 |
38 |
362 |
350 |
355 |
355 |
12-⅞″-9 |
12-M20 |
12-M24 |
12-M22 |
125 |
102 |
4-11.5 |
66 |
22 |
|
300 |
12 |
242 |
337 |
38 |
431.8 |
400 |
410 |
400 |
12-⅞″-9 |
12-M20 |
12-M24 |
16-M22 |
125 |
102 |
4-11.5 |
77 |
22 |
SEAT Germahiya RATINGS
|
Mal |
NBR |
Neoprene |
EPDM |
Hypalon |
Viton |
PTFE |
|
|
Nirxên Germahiya |
℃ |
-20~100 |
-40~100 |
-40~120 |
-32~135 |
-12~230 |
-50~200 |
|
℉ |
-4~212 |
-40~212 |
-40~248 |
-25.6~275 |
10.4~446 |
-58~392 |
|
Materyalên kursiyê dikarin bêyî zirarê li germahiyên kêmtir bisekinin. Lêbelê, elastomer hişk dibe û torque zêde dibe. Dibe ku hin medyaya herikînê bêtir sînorên germahiya hatî weşandin sînordar bikin an jî jiyana rûniştinê bi girîngî kêm bikin.
nîşana kargehê
3 butterfly valve dimensions
3 butterfly valve dimensions factory
3 butterfly valve dimensions supplier
4 lug style butterfly valve
4 lug style butterfly valve factory
6 lug butterfly valve
6 lug style butterfly valve




