Danasîna hilberê
One-piece thru shaft ensures dependability. Stem drive disc movement. Available with handles (1½″ to 12″), manual gear operators (1½″ to 24″), and electric or pneumatic actuators (1½″ to 24″). With many body/trim combinations, there is a series F170 butterfly valve to meet your application.

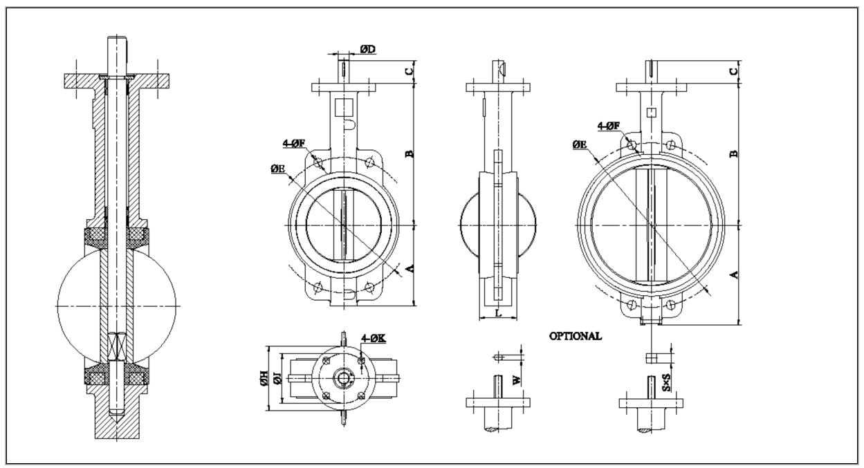
LÎSTEYA DIMENSIONS
|
Mezinayî |
A |
B |
C |
D |
E |
F/M |
H |
J |
I- K |
L |
T |
S |
W |
|||||||
|
mm |
inch |
ANSI 125/150 |
PN10 |
PN16 |
10K |
ANSI 125/150 |
PN10 |
PN16 |
10K |
|||||||||||
|
40 |
1½ |
70 |
145 |
32 |
12.7 |
98.4 |
110 |
110 |
105 |
16 |
18 |
18 |
19 |
65 |
50 |
4-7 |
33 |
27 |
9 |
10 |
|
50 |
2 |
76 |
162 |
32 |
12.7 |
120.7 |
125 |
125 |
120 |
19 |
18 |
18 |
19 |
65 |
50 |
4-7 |
42 |
32 |
9 |
10 |
|
65 |
2½ |
89 |
174 |
32 |
12.7 |
139.7 |
145 |
145 |
140 |
19 |
18 |
18 |
19 |
65 |
50 |
4-7 |
45 |
47 |
9 |
10 |
|
80 |
3 |
95 |
181 |
32 |
12.7 |
152.4 |
160 |
160 |
150 |
19 |
18 |
18 |
19 |
65 |
50 |
4-7 |
45 |
65 |
9 |
10 |
|
100 |
4 |
114 |
200 |
32 |
15.9 |
190.5 |
180 |
180 |
175 |
19 |
18 |
18 |
19 |
90 |
70 |
4-9.5 |
52 |
90 |
11 |
12 |
|
125 |
5 |
127 |
213 |
32 |
19.1 |
215.9 |
210 |
210 |
210 |
22 |
18 |
18 |
23 |
90 |
70 |
4-9.5 |
54 |
111 |
14 |
14 |
|
150 |
6 |
139 |
225 |
32 |
19.1 |
241.3 |
240 |
240 |
240 |
22 |
22 |
22 |
23 |
90 |
70 |
4-9.5 |
56 |
145 |
14 |
14 |
|
200 |
8 |
177 |
260 |
38 |
22.2 |
298.5 |
295 |
295 |
290 |
22 |
22 |
22 |
23 |
125 |
102 |
4-11.5 |
60 |
193 |
17 |
17 |
|
250 |
10 |
203 |
292 |
38 |
28.6 |
362 |
350 |
355 |
355 |
25 |
22 |
26 |
25 |
125 |
102 |
4-11.5 |
66 |
241 |
22 |
22 |
|
300 |
12 |
242 |
337 |
38 |
31.8 |
431.8 |
400 |
410 |
400 |
25 |
22 |
26 |
25 |
125 |
102 |
4-11.5 |
77 |
292 |
22 |
24 |
|
350 |
14 |
277 |
368 |
45 |
31.8 |
476.3 |
460 |
470 |
445 |
29 |
22 |
26 |
25 |
125 |
102 |
4-11.5 |
77 |
325 |
22 |
24 |
|
400 |
16 |
308 |
400 |
51 |
33.3 |
539.8 |
515 |
525 |
510 |
29 |
26 |
30 |
27 |
210 |
165 |
4-22 |
86 |
380 |
27 |
27 |
|
450 |
18 |
342 |
422 |
51 |
38.1 |
577.9 |
565 |
585 |
565 |
32 |
26 |
30 |
27 |
210 |
165 |
4-22 |
105 |
428 |
27 |
27 |
|
500 |
20 |
374 |
479 |
64 |
41.3 |
635 |
620 |
650 |
620 |
32 |
26 |
33 |
27 |
210 |
165 |
4-22 |
130 |
474 |
27 |
32 |
|
600 |
24 |
459 |
562 |
70 |
50.8 |
749.3 |
725 |
770 |
730 |
35 |
30 |
36 |
33 |
210 |
165 |
4-22 |
152 |
575 |
36 |
36 |
nîşana kargehê
high quality wafer check valve factories
high quality wafer check valve manufacturer
high quality wafer check valve supplier
high quality wafer check valve suppliers




