LÎSTEYA MATERIALE
|
Şanî |
Navê Part |
Materials |
|
1 |
Beden |
Cast Iron: ASTM A126CL. B , DIN1691 GG25, EN 1561 EN-GJL-200; GB12226 HT200; Castil Iron: ASTM A536 65-45-12, DIN 1693 GGG40, EN1563 EN-GJS-400-15, GB12227 QT450-10; Stainless Steel: ASTM A351 CF8, CF8M; CF3, CF3M; Karbon Steel: ASTM A216 WCB |
|
2 |
Qam |
Zinc Plated Steel; Stainless Steel: ASTM A276 Type 316, Type 410, Type 420; ASTM A582 Type 416; |
|
3 |
Thrust Washer |
Karbon pola |
|
4 |
Badan |
Carbon steel; Stainless Steel |
|
5 |
Rûniştek |
NBR, EPDM, Neoprene, PTFE, Viton; |
|
6 |
Disc |
Ductile Cast Iron (Nickel plated): ASTM A536 65-45-12, DIN 1693 GGG40, EN1563 EN-GJS-400-15, GB12227 QT450-10; Tev stîl: ASTM A351 CF8, CF8M; CF3, CF3M; EN 1.4408, 1.4469; 1.4501; AL-Tûnc: ASTM B148 C95400; |
|
7 |
O-Ring |
NBR, EPDM, Neoprene, Viton; |
|
8 |
Bushing |
PTFE, Naylon, Bronzê lubricated; |
Ev kiryar dikare li gorî navnîşa materyalê materyalê hilbijêre. Dibe ku xerîdar materyal û germahiya hatî bikar anîn nîşan bide, dibe ku pargîdaniya me li şûna wê hilbijêrin. Gava ku navîn û germahî taybetî ye, ji kerema xwe bi pargîdaniya me re şêwir bikin.

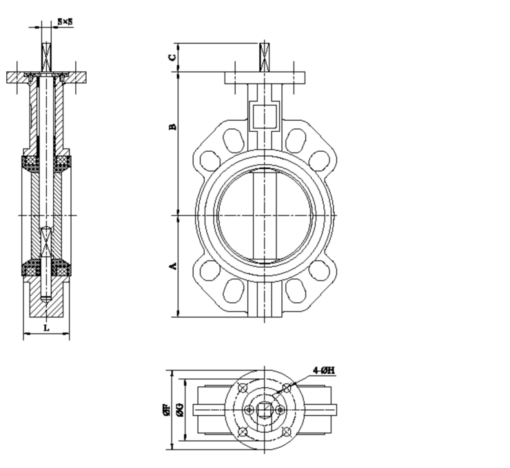
LÎSTEYA DIMENSIONS
|
Mezinayî |
A |
B |
C |
F |
G |
H |
L |
S |
|
|
mm |
inch |
||||||||
|
40 |
1½ |
70 |
145 |
32 |
65 |
50 |
4-7 |
33 |
9 |
|
50 |
2 |
72 |
129 |
32 |
65 |
50 |
4-7 |
42 |
9 |
|
65 |
2½ |
75 |
136 |
32 |
65 |
50 |
4-7 |
45 |
9 |
|
80 |
3 |
97 |
144 |
32 |
65 |
50 |
4-7 |
45 |
9 |
|
100 |
4 |
108 |
162 |
32 |
90 |
70 |
4-9.5 |
52 |
11 |
|
125 |
5 |
123 |
188 |
32 |
90 |
70 |
4-9.5 |
54 |
14 |
|
150 |
6 |
142 |
204 |
32 |
90 |
70 |
4-9.5 |
56 |
14 |
|
200 |
8 |
169 |
238 |
38 |
90 |
70 |
4-9.5 |
60 |
17 |
|
250 |
10 |
202 |
282 |
38 |
125 |
102 |
4-11.5 |
66 |
22 |
|
300 |
12 |
242 |
311 |
38 |
125 |
102 |
4-11.5 |
77 |
22 |
nîşana kargehê
10 wafer butterfly valve
3 wafer butterfly valve
4 inch wafer butterfly valve
4 wafer butterfly valve
6 wafer butterfly valve
6 wafer valve
8 wafer butterfly valve




